Product Summary
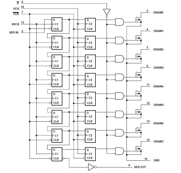
                                                  	The TPIC6C595DRG4 is a monolithic, medium-voltage, low-current power 8-bit shift register designed for use in systems that require relatively moderate load power such as LEDs. The TPIC6C595DRG4 contains a built-in voltage clamp on the outputs for inductive transient protection. Power driver applications include relays, solenoids, and other low-current or medium-voltage loads. The TPIC6C595DRG4 contains an 8-bit serial-in, parallel-out shift register that feeds an 8-bit D-type storage register. Data transfers through both the shift and storage registers on the rising edge of the shift register clock (SRCK) and the register clock (RCK), respectively. The device transfers data out the serial output (SER OUT) port on the rising edge of SRCK. The storage register transfers data to the output buffer when shift register clear (CLR) is high.
                                                  
Parametrics
TPIC6C595DRG4 absolute maximum ratings: (1)Logic supply voltage, VCC: 7 V; (2)Logic input voltage range, VI: -0.3 V to 7 V; (3)Power DMOS drain-to-source voltage, VDS: 33 V; (4)Continuous source-to-drain diode anode current: 250 mA; (5)Pulsed source-to-drain diode anode current: 500 mA; (6)Pulsed drain current, each output, all outputs on, ID, TC = 25℃: 250 mA; (7)Continuous drain current, each output, all outputs on, ID, TC = 25℃: 100 mA; (8)Peak drain current single output, IDM,TC = 25℃: 250 mA; (9)Single-pulse avalanche energy, EAS: 30 mJ; (10)Avalanche current, IAS: 200 mA; (11)Continuous total dissipation: See Dissipation Rating Table; (12)Operating virtual junction temperature range, TJ: -40℃ to 150℃; (13)Operating case temperature range, TC: -40℃ to 125℃; (14)Storage temperature range, Tstg: -65℃ to 150℃; (15)Lead temperature 1,6 mm (1/16 inch)from case for 10 seconds: 260℃.
Features
TPIC6C595DRG4 features: (1)Low rDS(on)7 W Typ; (2)Avalanche Energy 30 mJ; (3)Eight Power DMOS Transistor Outputs of 100-mA Continuous Current; (4)250-mA Current Limit Capability; (5)ESD Protection . . . 2500 V; (6)Output Clamp Voltage . . . 33 V; (7)Devices Are Cascadable; (8)Low Power Consumption.
Diagrams

| Image | Part No | Mfg | Description | ![]()  | 
                            Pricing (USD)  | 
                            Quantity | ||||||||||||
|---|---|---|---|---|---|---|---|---|---|---|---|---|---|---|---|---|---|---|
![]()  | 
                            ![]() TPIC6C595DRG4  | 
                            ![]() Texas Instruments  | 
                            ![]() Counter Shift Registers 8-BIT SHIFT REGISTER  | 
                            ![]() Data Sheet  | 
                            ![]() 
  | 
                            
                            	 | 
                      ||||||||||||
| Image | Part No | Mfg | Description | ![]()  | 
                            Pricing (USD)  | 
                            Quantity | ||||||||||||
![]()  | 
                            ![]() TPIC0107B  | 
                            ![]() Other  | 
                            ![]()  | 
                            ![]() Data Sheet  | 
                            ![]() Negotiable  | 
                            
                            	 | 
                      ||||||||||||
![]()  | 
                            ![]() TPIC0107BDWP  | 
                            ![]()  | 
                            ![]() INTEL H-BRIDGE 180 MOHM 20-HSOIC  | 
                            ![]() Data Sheet  | 
                            ![]() 
  | 
                            
                            	 | 
                      ||||||||||||
![]()  | 
                            ![]() TPIC0108B  | 
                            ![]() Other  | 
                            ![]()  | 
                            ![]() Data Sheet  | 
                            ![]() Negotiable  | 
                            
                            	 | 
                      ||||||||||||
![]()  | 
                            ![]() TPIC0108BDWP  | 
                            ![]()  | 
                            ![]() INTEL H-BRIDGE 180 MOHM 20-HSOP  | 
                            ![]() Data Sheet  | 
                            ![]() Negotiable  | 
                            
                            	 | 
                      ||||||||||||
![]()  | 
                            ![]() TPIC0108BDWPR  | 
                            ![]()  | 
                            ![]() INTEL H-BRIDGE 180 MOHM 20-HSOIC  | 
                            ![]() Data Sheet  | 
                            ![]() Negotiable  | 
                            
                            	 | 
                      ||||||||||||
![]()  | 
                            ![]() TPIC0298  | 
                            ![]() Other  | 
                            ![]()  | 
                            ![]() Data Sheet  | 
                            ![]() Negotiable  | 
                            
                            	 | 
                      ||||||||||||
 (China (Mainland)) 
                         
                        
                                    








