Product Summary
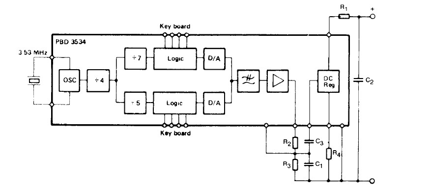
                                                  	The PBD3534 is a monolithic integrated DTMF generator intended for use in a telephone set. Internal voltage refer­ence and DC regulation make a direct connection of the circuit to the subscriber line possible. 8-bit or dual 4-bit interface capability enables the PBD3534 to be used as a computer to a telephone line interface. The PBD3534 fulfils theCEPT specification.
                                                  
Parametrics
PBD3534 absolute maximum ratings: (1)Line current: -120 to 100mA; (2)Line current: -120 to 130mA; (3)Line voltage: 20v; (4)Line voltage (pulse time = 10 ms): 22V; (5)Power dissipation: 600mW; (6)Temperature Range Junction temperature Tj: + 150 ℃; (7)Operation ambient temperature Ta: -20 ℃ to +70 ℃; (8)Storage temperature Ts: -55 ℃ to +150 ℃.
Features
PBD3534 features: (1)Operates with a standard crystal at 3.58 MHz; (2)DC regulation is included in the circuit; (3)Wide operating line voltage and current range; (4)Internally determined ratio between the low and high frequency group level; (5)External control from a microprocessor is possible; (6)Signal level can be adjusted with one external resistor; (7)The signal level is stabilized against variations in temperature and line current; (8)All tones can be generated separately for testing; (9)The number of external components is minimized Easy PC board layout; all keyboard connections on one.
Diagrams

![]()  | 
                            ![]() PBD3545/1  | 
                            ![]() Other  | 
                            ![]()  | 
                            ![]() Data Sheet  | 
                            ![]() Negotiable  | 
                            
                            	 | 
                      ||||
![]()  | 
                            ![]() PBD35171  | 
                            ![]() Other  | 
                            ![]()  | 
                            ![]() Data Sheet  | 
                            ![]() Negotiable  | 
                            
                            	 | 
                      ||||
 (China (Mainland)) 
                         
                        
                                    






